Điện trở là một khái niệm cơ bản và quan trọng trong lĩnh vực điện học, đặc biệt là trong chương trình Vật Lý lớp 11. Việc hiểu rõ cách tính điện trở tương đương cho các loại mạch khác nhau như nối tiếp, song song và mạch cầu là chìa khóa để giải quyết hiệu quả các bài tập liên quan. Bài viết này sẽ cung cấp một cách hệ thống các phương pháp, ví dụ minh họa và bài tập tự luyện, giúp học sinh củng cố và nâng cao kiến thức về điện trở tương đương.
TÓM TẮT
I. Phương Pháp Tính Điện Trở Tương Đương và Ví Dụ Minh Họa
Việc tính toán điện trở tương đương phụ thuộc vào cách các điện trở được mắc nối tiếp, song song hay kết hợp phức tạp hơn. Dưới đây là các quy tắc cơ bản và cách xử lý các trường hợp đặc biệt.
1. Mạch Điện Mắc Nối Tiếp
Khi các điện trở được mắc nối tiếp, điện trở tương đương của đoạn mạch sẽ bằng tổng các điện trở thành phần.
- Công thức: $R = R_1 + R_2 + dots + R_n$
2. Mạch Điện Mắc Song Song
Đối với mạch mắc song song, nghịch đảo của điện trở tương đương bằng tổng các nghịch đảo của từng điện trở thành phần.
-
Công thức tổng quát: $frac{1}{R} = frac{1}{R_1} + frac{1}{R_2} + dots + frac{1}{R_n}$
-
Trường hợp đặc biệt với 2 điện trở:
$R = frac{R_1 times R_2}{R_1 + R_2}$ -
Trường hợp có $n$ điện trở giống nhau:
$R = frac{R_0}{n}$
Công thức tính điện trở tương đương cho n điện trở giống nhau mắc song song
3. Mạch Điện Trở Phức Tạp
Đối với các mạch điện có cấu tạo phức tạp, bao gồm cả đoạn nối tắt (dây nối không có điện trở) hoặc các cấu trúc như mạch cầu, cần áp dụng các phương pháp xử lý sau:
-
Đoạn mạch có đoạn nối tắt:
- Xác định các điểm có cùng điện thế do được nối với nhau bằng dây dẫn không điện trở.
- “Chập” các điểm này lại, tức là xem chúng như một điểm duy nhất.
- Vẽ lại sơ đồ mạch điện một cách đơn giản hóa dựa trên sự chập điểm.
- Tiến hành tính toán điện trở tương đương dựa trên sơ đồ mới.
-
Mạch điện trở đối xứng:
Trong các mạch có cấu tạo đối xứng, có thể tận dụng tính đối xứng để xác định các điểm có cùng điện thế, từ đó đơn giản hóa mạch.
4. Trường Hợp Đặc Biệt: Mạch Cầu
Mạch cầu là một dạng mạch điện phức tạp, có thể chia thành hai loại chính: cân bằng và không cân bằng.
-
Mạch cầu cân bằng:
Điều kiện để mạch cầu cân bằng là tỉ lệ các điện trở thỏa mãn: $frac{R_1}{R_2} = frac{R_3}{R_4}$ (với $R_5$ là điện trở ở nhánh giữa). Khi mạch cân bằng, dòng điện qua điện trở $R_5$ bằng 0.- Cách xử lý: Ta có thể bỏ qua điện trở $R_5$ hoặc xem như hai điểm nối với $R_5$ có cùng điện thế và chập chúng lại. Sau đó, mạch trở thành một mạch gồm các điện trở mắc nối tiếp và song song thông thường.
Mạch cầu cân bằngSau khi bỏ $R_5$, mạch có thể được vẽ lại như sau:
Mạch cầu cân bằng sau khi bỏ R5 -
Mạch cầu không cân bằng:
Khi mạch cầu không cân bằng ($frac{R_1}{R_2} neq frac{R_3}{R_4}$), ta không thể bỏ qua điện trở ở nhánh giữa.- Cách xử lý: Để giải mạch cầu không cân bằng, ta thường sử dụng phương pháp chuyển đổi từ mạch tam giác sang mạch hình sao, hoặc ngược lại.
- Chuyển tam giác sang sao: Áp dụng công thức chuyển đổi cho 3 điện trở của tam giác để thay thế bằng 3 điện trở của hình sao tương đương.
- Chuyển sao sang tam giác: Tương tự, áp dụng công thức chuyển đổi cho 3 điện trở của hình sao để thay thế bằng 3 điện trở của tam giác tương đương.
Công thức chuyển đổi từ mạch tam giác sang mạch sao:
Công thức chuyển đổi tam giác sang sao
- Cách xử lý: Để giải mạch cầu không cân bằng, ta thường sử dụng phương pháp chuyển đổi từ mạch tam giác sang mạch hình sao, hoặc ngược lại.
5. Ví Dụ Minh Họa
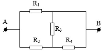
Ví dụ 1: Cho đoạn mạch điện với các giá trị điện trở: $R_1 = 10Omega$, $R_2 = 6Omega$, $R_3 = 2Omega$, $R_4 = 2Omega$, $R_5 = 4Omega$. Tính điện trở tương đương của đoạn mạch.
-
Hướng dẫn giải:
- $R_3$ và $R5$ mắc nối tiếp: $R{35} = R_3 + R_5 = 2Omega + 4Omega = 6Omega$.
- $R4$ mắc song song với $R{35}$:
$R_{345} = frac{R4 times R{35}}{R4 + R{35}} = frac{2Omega times 6Omega}{2Omega + 6Omega} = frac{12}{8}Omega = 1.5Omega$. - $R1$ mắc nối tiếp với $R{345}$: $R_{1345} = R1 + R{345} = 10Omega + 1.5Omega = 11.5Omega$.
- $R2$ mắc song song với $R{1345}$:
$R_{tđ} = frac{R2 times R{1345}}{R2 + R{1345}} = frac{6Omega times 11.5Omega}{6Omega + 11.5Omega} = frac{69}{17.5}Omega approx 3.94Omega$.
Sơ đồ mạch điện Ví dụ 1
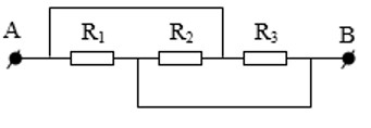
Ví dụ 2: Cho đoạn mạch điện với các giá trị điện trở: $R_1 = 6Omega$, $R_2 = 2Omega$, $R_3 = 3Omega$. Tính điện trở tương đương.
-
Hướng dẫn giải:
- Điểm nối giữa $R_2$ và $R_3$ (gọi là M) nối trực tiếp với A, nên M trùng với A.
- Điểm nối giữa $R_1$ và $R_2$ (gọi là N) nối trực tiếp với B, nên N trùng với B.
- Mạch điện được vẽ lại gồm $R_1$, $R_2$, $R_3$ mắc song song với nhau.
- Điện trở tương đương:
$frac{1}{R_{tđ}} = frac{1}{R_1} + frac{1}{R_2} + frac{1}{R3} = frac{1}{6} + frac{1}{2} + frac{1}{3} = frac{1+3+2}{6} = 1$.
$R{tđ} = 1Omega$.
Sơ đồ mạch điện Ví dụ 2
Sơ đồ mạch điện Ví dụ 2 sau khi đơn giản hóa
Sơ đồ mạch điện Ví dụ 2 sau khi đơn giản hóa
Ví dụ 3: Cho đoạn mạch điện với các giá trị điện trở: $R_1 = 15Omega$, $R_2 = 10Omega$, $R_3 = 10Omega$, $R_4 = 10Omega$. Tính điện trở tương đương.
-
Hướng dẫn giải:
- $R_3$ và $R4$ mắc song song:
$R{34} = frac{R_3 times R_4}{R_3 + R_4} = frac{10Omega times 10Omega}{10Omega + 10Omega} = 5Omega$. - $R2$ mắc nối tiếp với $R{34}$: $R_{234} = R2 + R{34} = 10Omega + 5Omega = 15Omega$.
- $R1$ mắc song song với $R{234}$:
$R_{tđ} = frac{R1 times R{234}}{R1 + R{234}} = frac{15Omega times 15Omega}{15Omega + 15Omega} = 7.5Omega$.
Sơ đồ mạch điện Ví dụ 3
Sơ đồ mạch điện Ví dụ 3 sau khi đơn giản hóa
Sơ đồ mạch điện Ví dụ 3 sau khi đơn giản hóa - $R_3$ và $R4$ mắc song song:
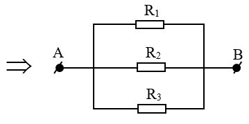
Ví dụ 4: Ba điện trở $R_1 = 1Omega$, $R_2 = 2Omega$, $R_3 = 3Omega$. Có bao nhiêu cách mắc các điện trở này với nhau? Tìm điện trở tương đương trong mỗi trường hợp.
-
Các cách mắc và điện trở tương đương:
- Nối tiếp: $R_{tđ} = R_1 + R_2 + R_3 = 1 + 2 + 3 = 6Omega$.
- Song song: $frac{1}{R_{tđ}} = frac{1}{R_1} + frac{1}{R_2} + frac{1}{R3} = frac{1}{1} + frac{1}{2} + frac{1}{3} = frac{6+3+2}{6} = frac{11}{6}$. $R{tđ} = frac{6}{11}Omega$.
- $R_1$ nối tiếp với ($R_2$ // $R3$): $R{23} = frac{R_2 times R_3}{R_2 + R3} = frac{2 times 3}{2 + 3} = 1.2Omega$. $R{tđ} = R1 + R{23} = 1 + 1.2 = 2.2Omega$.
- $R_1$ song song với ($R_2$ nối tiếp $R3$): $R{23} = R_2 + R3 = 2 + 3 = 5Omega$. $R{tđ} = frac{R1 times R{23}}{R1 + R{23}} = frac{1 times 5}{1 + 5} = frac{5}{6}Omega$.
- $R_2$ nối tiếp với ($R_1$ // $R3$): $R{13} = frac{R_1 times R_3}{R_1 + R3} = frac{1 times 3}{1 + 3} = 0.75Omega$. $R{tđ} = R2 + R{13} = 2 + 0.75 = 2.75Omega$.
- $R_2$ song song với ($R_1$ nối tiếp $R3$): $R{13} = R_1 + R3 = 1 + 3 = 4Omega$. $R{tđ} = frac{R2 times R{13}}{R2 + R{13}} = frac{2 times 4}{2 + 4} = frac{8}{6} = frac{4}{3}Omega$.
- $R_3$ nối tiếp với ($R_1$ // $R2$): $R{12} = frac{R_1 times R_2}{R_1 + R2} = frac{1 times 2}{1 + 2} = frac{2}{3}Omega$. $R{tđ} = R3 + R{12} = 3 + frac{2}{3} = frac{11}{3}Omega$.
- $R_3$ song song với ($R_1$ nối tiếp $R2$): $R{12} = R_1 + R2 = 1 + 2 = 3Omega$. $R{tđ} = frac{R3 times R{12}}{R3 + R{12}} = frac{3 times 3}{3 + 3} = 1.5Omega$.
Tổng cộng có 8 cách mắc.
Minh họa các cách mắc 3 điện trở
Ví dụ 5: Một dây dẫn có điện trở $R = 144Omega$. Cần cắt dây thành bao nhiêu đoạn bằng nhau để khi mắc song song, điện trở tương đương là $4Omega$?
- Hướng dẫn giải:
- Gọi $n$ là số đoạn dây bằng nhau được cắt ra.
- Điện trở của mỗi đoạn dây là: $R’ = frac{R}{n} = frac{144}{n}Omega$.
- Khi $n$ đoạn dây này mắc song song, điện trở tương đương là:
$R_{tđ} = frac{R’}{n} = frac{144/n}{n} = frac{144}{n^2}$. - Theo đề bài, $R_{tđ} = 4Omega$, nên:
$4 = frac{144}{n^2} Rightarrow n^2 = frac{144}{4} = 36 Rightarrow n = 6$.
Vậy cần cắt dây thành 6 đoạn bằng nhau.
Ví dụ 6: Có hai loại điện trở $R_1 = 3Omega$ và $R_2 = 5Omega$. Cần dùng bao nhiêu cái mỗi loại để khi ghép nối tiếp có điện trở tương đương là $55Omega$, với tổng số điện trở là nhỏ nhất?
- Hướng dẫn giải:
- Gọi $x$ là số điện trở loại $R_1$ và $y$ là số điện trở loại $R_2$. $x, y$ là các số nguyên dương.
- Điện trở tương đương khi mắc nối tiếp: $R_{tđ} = x R_1 + y R_2 = 3x + 5y$.
- Theo đề bài: $3x + 5y = 55$.
- Để tổng số điện trở $x+y$ là nhỏ nhất, ta tìm các cặp $(x, y)$ nguyên dương thỏa mãn phương trình:
- Nếu $y=2$, $3x = 55 – 10 = 45 Rightarrow x = 15$. Tổng số điện trở: $15 + 2 = 17$.
- Nếu $y=5$, $3x = 55 – 25 = 30 Rightarrow x = 10$. Tổng số điện trở: $10 + 5 = 15$.
- Nếu $y=8$, $3x = 55 – 40 = 15 Rightarrow x = 5$. Tổng số điện trở: $5 + 8 = 13$.
- Nếu $y=11$, $3x = 55 – 55 = 0 Rightarrow x = 0$. (Loại vì $x$ phải dương, hoặc xét $x, y$ nguyên không âm thì trường hợp này vẫn hợp lệ nhưng tổng số điện trở là 11).
- So sánh các tổng số điện trở, trường hợp $y=11, x=0$ cho tổng nhỏ nhất là 11. Tuy nhiên, nếu yêu cầu cả hai loại điện trở đều phải có mặt thì trường hợp $x=5, y=8$ cho tổng nhỏ nhất là 13. Nếu đề bài cho phép một trong hai loại không dùng, thì $x=0, y=11$ là đáp án. Giả định đề bài yêu cầu dùng cả hai loại: cần 5 điện trở $R_1$ và 8 điện trở $R_2$.
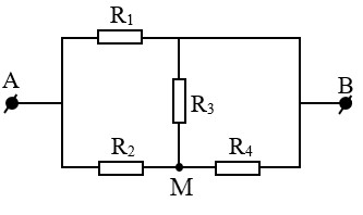
Ví dụ 7: Cho mạch điện như hình vẽ. Biết $R_1 = R_3 = 2Omega$, $R_2 = R_5 = 4Omega$, $R_4 = 5Omega$. Tính điện trở tương đương của mạch.
-
Hướng dẫn giải:
- Kiểm tra tỉ lệ các điện trở: $frac{R_1}{R_2} = frac{2}{4} = 0.5$. $frac{R_3}{R_4} = frac{2}{5} = 0.4$.
- Vì $frac{R_1}{R_2} neq frac{R_3}{R_4}$, đây là mạch cầu không cân bằng.
- Chuyển đổi tam giác $AMN$ (gồm $R_1, R_3, R_5$) thành mạch sao $AOH$ (với $O$ là điểm nối giữa 3 điện trở sao).
- Tính các điện trở sao tương đương:
$R_{AO} = frac{R_1 R_5}{R_1 + R_3 + R5} = frac{2 times 4}{2 + 2 + 4} = frac{8}{8} = 1Omega$.
$R{OH} = frac{R_5 R_3}{R_1 + R_3 + R5} = frac{4 times 2}{2 + 2 + 4} = frac{8}{8} = 1Omega$.
$R{HA} = frac{R_1 R_3}{R_1 + R_3 + R_5} = frac{2 times 2}{2 + 2 + 4} = frac{4}{8} = 0.5Omega$. - Sau khi chuyển đổi, mạch mới gồm: $R_{AO}$ nối tiếp $R4$ (song song với $R{OH}$ nối tiếp $R2$) và tất cả nối tiếp với $R{HA}$.
- Mạch con 1: $(R_{AO} + R4)$ // $(R{OH} + R2)$
$R{AO} + R4 = 1Omega + 5Omega = 6Omega$.
$R{OH} + R2 = 1Omega + 4Omega = 5Omega$.
$R{mạch_con_1} = frac{6 times 5}{6 + 5} = frac{30}{11}Omega$. - Điện trở tương đương của toàn mạch: $R{tđ} = R{HA} + R_{mạch_con_1} = 0.5Omega + frac{30}{11}Omega = frac{1}{2} + frac{30}{11} = frac{11 + 60}{22} = frac{71}{22}Omega$.
- Mạch con 1: $(R_{AO} + R4)$ // $(R{OH} + R2)$
Sơ đồ mạch điện Ví dụ 7
Sơ đồ chuyển đổi tam giác sang sao
Các giá trị điện trở sao
Các giá trị điện trở sao
II. Bài Tập Vận Dụng
Dưới đây là một số bài tập giúp bạn luyện tập và củng cố kiến thức về cách tính điện trở tương đương.
1. Bài Tập Tự Luyện
Bài 1: Tính điện trở tương đương của các đoạn mạch sau, biết rằng các điện trở đều bằng nhau và bằng $R = 12Omega$.
a) Hình 1: Hai điện trở mắc nối tiếp.
b) Hình 2: Một điện trở nối tiếp với hai điện trở kia mắc song song.
c) Hình 3: Một điện trở nối tiếp với một nhánh gồm hai điện trở mắc song song, nhánh này lại song song với một điện trở khác.
Các loại mạch điện đơn giản
- Lời giải:
a) Hình 1: $R{tđ} = R + R = 12Omega + 12Omega = 24Omega$.
b) Hình 2: $R{23} = R + R = 24Omega$. $R{tđ} = frac{R times R{23}}{R + R{23}} = frac{12 times 24}{12 + 24} = frac{288}{36} = 8Omega$.
c) Hình 3: $R{23} = frac{R times R}{R + R} = frac{12 times 12}{12 + 12} = 6Omega$. $R{123} = R + R{23} = 12 + 6 = 18Omega$. $R{tđ} = frac{R times R{123}}{R + R{123}} = frac{12 times 18}{12 + 18} = frac{216}{30} = 7.2Omega$. (Lưu ý: theo hình vẽ thì câu c) tương tự câu b) với các điện trở khác vị trí). Nếu hiểu theo sơ đồ của câu c) thì R nối tiếp (R // (R+R)). $R{23} = R+R=24 Omega$. $R{123} = frac{R times R{23}}{R+R{23}} = frac{12 times 24}{12+24} = 8 Omega$. $R{tđ} = R + R_{123} = 12 + 8 = 20 Omega$.
Bài 2: Hai dây dẫn, khi mắc nối tiếp có điện trở lớn gấp 6,25 lần khi mắc song song. Tính tỉ số điện trở của hai dây.
-
Lời giải: Gọi hai điện trở là $R_1, R_2$.
- Mắc nối tiếp: $R_{nt} = R_1 + R_2$.
- Mắc song song: $R_{ss} = frac{R_1 R_2}{R_1 + R_2}$.
- Theo đề bài: $R_1 + R_2 = 6.25 times frac{R_1 R_2}{R_1 + R_2}$.
- $(R_1 + R_2)^2 = 6.25 R_1 R_2$.
- Chia cả hai vế cho $R_2^2$: $(frac{R_1}{R_2} + 1)^2 = 6.25 (frac{R_1}{R_2})$.
- Đặt $x = frac{R_1}{R_2}$. Ta có: $(x+1)^2 = 6.25x Rightarrow x^2 + 2x + 1 = 6.25x Rightarrow x^2 – 4.25x + 1 = 0$.
- Giải phương trình bậc hai, ta được $x = 4$ hoặc $x = 0.25$.
- Vậy tỉ số điện trở của hai dây là 4 hoặc 1/4.
Minh họa Bài 2
Minh họa Bài 2
Minh họa Bài 2
Bài 3: Có hai loại điện trở $5Omega$ và $7Omega$. Tìm số điện trở mỗi loại sao cho khi ghép nối tiếp ta được điện trở tổng cộng là $95Omega$ với số lượng điện trở nhỏ nhất.
- Lời giải: Gọi $x$ là số điện trở $5Omega$, $y$ là số điện trở $7Omega$.
- Ta có phương trình: $5x + 7y = 95$.
- Để tổng số điện trở $x+y$ nhỏ nhất, ta tìm các cặp $(x, y)$ nguyên không âm thỏa mãn phương trình:
- Nếu $y = 0$, $5x = 95 Rightarrow x = 19$. Tổng $x+y = 19$.
- Nếu $y = 5$, $5x = 95 – 35 = 60 Rightarrow x = 12$. Tổng $x+y = 17$.
- Nếu $y = 10$, $5x = 95 – 70 = 25 Rightarrow x = 5$. Tổng $x+y = 15$.
- Nếu $y = 15$, $5x = 95 – 105 < 0$ (loại).
- Số lượng điện trở nhỏ nhất là 15, với 5 điện trở loại $5Omega$ và 10 điện trở loại $7Omega$.
Bài 4: Cho mạch điện như hình vẽ. Biết $R_1 = R_3 = 2Omega$, $R_2 = R_5 = 4Omega$, $R_4 = 4Omega$. Tính điện trở tương đương của mạch.
- Lời giải:
- Kiểm tra tỉ lệ: $frac{R_1}{R_2} = frac{2}{4} = 0.5$. $frac{R_3}{R_4} = frac{2}{4} =









